Главная / Оборудование / Выдувной автомат для изготовления ПЭТ

Выдувной автомат для изготовления ПЭТ

Выдувной автомат для изготовления ПЭТ-бутылок
 


 
Описание оборудования – OPTIMA 4
Общая информация
        Это серия полностью электронных выдувных машин для изготовления бутылок из ПЭТ-преформ с возможностью производства бутылок с объёмом до 3-ёх литров. Оборудование создано с использованием инновационных, но промышленно проверенных технологий. Одним из ключевых преимуществ данной установки является использование высокотехнологичной печи (ВНС) для термического размягчения преформ. Данная печь совмещает высокую эффективность с низкой потребляемой мощностью и компактными размерами. Низкий уровень потребления энергии позволяет минимизировать себестоимость производимой бутылки.
       Следующим преимуществом данного оборудования является выход на конвейер готовых бутылок с уже правильной ориентацией. Это значит, что бутылки могут быть напрямую доставлены к наполнительным машинам – никакого дополнительного позиционирования им не требуется.
Использование сервоприводов позволяет сделать работу закрывающего механизма быстрее и точнее. Также это позволяет легко управлять закрывающим механизмом в любой позиции. Использование централизованной системы смазки позволяет быстро, легко и точно применять определённые дозы масла, что позволяет снизить до минимума количество ненужных остановок и время технического обслуживания оборудования.
     Оборудование OPTIMA соответствует требованиям тех компаний, которые ожидают высокого качества изготавливаемых бутылок, эффективности  работы и минимизации затрат на производство.
 
Комплект поставки
 

Комплектация Количество, шт
Машина для выдува из ПЭТ-преформ 1
Комплект для выдува (4 отверстия) для 1-литровой бутылки 1
Система загрузки преформ 1
Выходной конвейер для бутылок 1
Система рекуперации воздуха 1
Тележка для быстрой установки преформ 1
Централизованная система смазки 1
Комплект для выдува (2 отверстия) для 3-литровой бутылки 1
Компрессор KAESER CSD 125 1
Осушитель для воздуха высокого давления 1
Осушитель для воздуха низкого давления 1
Нагнетатель 753G 1
Комплект воздушных фильтров 1
Ресивер для воздуха высокого давления 1
Ресивер для воздуха низкого давления 1
Водяной охладитель HT6A 2
Набор соединительных компонентов для компрессорной станции 1
Система управления нагнетателя 1
Сенсорный экран для управления линией 1
 

     Комплект поставки, который доставляется покупателю, кроме непосредственно выдувной машины, состоит также из:

  • Система подачи ПЭТ-преформ в комплекте с контейнером для сбора преформ, конвейером для преформ, ориентатором преформ и наклонными рельсами. Также включает необходимое электрическое и управляющее оборудование.
  • Опрокидыватель преформ DUMPER DR-310 – устройство для автоматической загрузки преформ в контейнер, оператору необходимо только заменять октабины с преформами.
  • Выходной конвейер для бутылок – его конструкция позволяет напрямую соединить выдувную линию с любой другой
  • Электрический шкаф и элементы системы управления – сконструированы с использованием компонентов известных брендов. Полностью соответствуют европейским требованиям и стандартам.
  • Компрессорная установка – построена на базе винтового компрессора компании KAESER, которая сотрудничает с компанией SMF на протяжении 12 лет. Данная установка состоит из винтового компрессора, нагнетателя, воздушного осушителя с фильтрами,  воздушных ресиверов и всех необходимых соединений. Параметры компрессорной станции описаны ниже в предложении.
  • Водная система охлаждения – машины типа OPTIMA комплектуются системой водного охлаждения на базе высокоэффективного водяного охладителя.

 
Модель оборудования
 

 
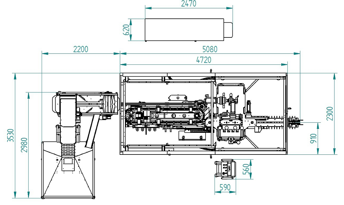
Схематическое изображение оборудования
Оборудование – вид сбоку

 
 
Оборудование – вид сверху

 
Высокотехнологичная нагревательная система (печь)

Оборудование оснащается специальной нагревательной системой. HI-POWER – высокотехнологичная и энерго эффективная печка для разогрева преформ. Новая применяемая технология позволяет существенно снизить (до 50%) потребление энергии и обеспечивает высокую точность процесса размягчения преформ. Разница температур между внутренней и внешней поверхностью преформы составляет всего 4 градуса.
 

 
Ключевые преимущества:

  • Снижение номинальной установленной мощности
  • Высокая эффективность и компактность
  • Надёжные и долговечные лампы
  • Точность и полный контроль процесса нагрева
  • Водное охлаждение

 
Технические параметры:

  • Установленная мощность – 46 кВт
  • Потребление охлаждающей жидкости – 14 л/мин
  • Подключение для воды – 1/2”
  • Число нагревательных комплектов - 1
  • Число модулей – 2
  • Количество ламп в одном модуле – 9 (максимум)
  • Высота модуля – 180 мм
  • Длина модуля – 275 мм

 
Пример:
         Установленная мощность обычных инфракрасных печей, используемых в данном оборудовании, для производительности в 7 000 бутылок в час составляет примерно 100 кВт. Установленная мощность печи всего 46 кВт, что позволяет экономить до 50% на энергозатратах.
 
2 этапа процесса производства
     В оборудовании используется двухэтапный процесс производства. Первый шаг – это производство преформ на пластоформовочном оборудовании. Ввиду высокой стоимости подобного оборудования, ПЭТ-преформы обычно поставляются сторонним производителем. Вторым шагом производства ПЭТ-бутылок является их выдув из преформ при использовании данного оборудования.

  1. Размягчение преформы в специальной печи
  2. Открытие пресс-формы и загрузка разогретой преформы
  3. Закрытие пресс-формы
  4. Формирование бутылки при помощи высокого давления
  5. Открытие пресс-формы и транспортировка готовой бутылки на выходной  конвейер
  6. Бутылка готова для отправки на линию наполнения


 

Смотрите также:

ПРЕИМУЩЕСТВА

КОМПАНИИ

АКТУАЛЬНЫЕ ТЕНДЕНЦИИ

И ТЕХНОЛОГИИ

ГАРАНТИИ

КОМПАНИИ

ПАРТНЕРЫ

КОМПАНИИ